Messung der Geradheit
Wenn Sie die Geradheit messen, überprüfen Sie, wie exakt gerade ein Messobjekt ist.
Diese Angabe gilt für Geraden und nicht für Ebenen. Daher kann man durch die Geradheitsmessung jeden Verzug bei langen Objekten erkennen.
Beispielzeichnungen

Verwendung eines Höhenmessgeräts

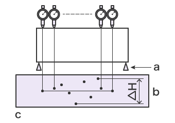
- a
- Kleiner Stützbock
- b
- △H = Geradheit
- c
- Höhendiagramm (Hn)
Fixieren Sie das Messobjekt so, dass die Höhe links und rechts gleich ist. Verwenden Sie dazu kleine Stützböcke, damit das Messobjekt nicht kippen kann. Bewegen Sie das Messobjekt oder das Höhenmessegerät geradeaus, um die Geradheit zu messen.
Die Differenz zwischen dem Maximal- und dem Minimalwert (△H) ist die Geradheit.
NACHTEILE
Im Allgemeinen haben Höhenmessgeräte eine geringere Genauigkeit als 3D-Koordinatenmessgeräte. Darüber hinaus können sich die Messwerte mit der Kraft, mit welcher der Messteil des Höhenmessgeräts auf das Messobjekt gesetzt wird, ändern, wodurch die Messergebnisse instabil werden.
Bei Messobjekten, die nicht waagerecht platziert werden können, kann das Höhenmessgerät nicht bewegt werden, was die Messung erschwert.
Verwendung eines 3D-Koordinatenmessgeräts

- a
- Taststift
- b
- Messobjekt
Mit einem 3D-Koordinatenmessgerät kann man die Geradheit messen, indem man den Taststift einfach leicht auf das Messobjekt setzt. Dank dieser Eigenschaft gibt es nahezu keine Fehler durch die Antastkraft und es können stabile Messergebnisse erzielt werden.
Der Taststift kann außerdem aus verschiedenen Winkeln auf das Messobjekt gesetzt werden, was eine genaue Messung von Messobjekten ermöglicht, die nicht waagerecht fixiert werden können, d. h. von Messobjekten, die nicht mit einem Höhenmessgerät gemessen werden können.
- Messfenster
-

- a
- Ergebnis der Geradheitsmessung


