Maximum-Material-Bedingung (MMC)
Die Maximum-Material-Bedingung wird bei der Konstruktion von zwei Gegenstücken angewendet.
Diese Spezifikation stellt sicher, beispielweise bei einer Welle, die so konstruiert ist, dass sie in eine Bohrung passt, dass die Welle unter der Maximum-Material-Bedingung (MMC) auch wirklich in die Bohrung passt. Sie verhindert gleichzeitig, dass eine zu enge Maßtoleranz angewendet wird, um zu vermeiden, dass die Welle eventuell nicht in die Bohrung passt.
- Was bedeutet ?
- Handhabung von Maßtoleranzen
- Ausdrücken der Maximum-Material-Bedingung über ein dynamisches Toleranzdiagramm
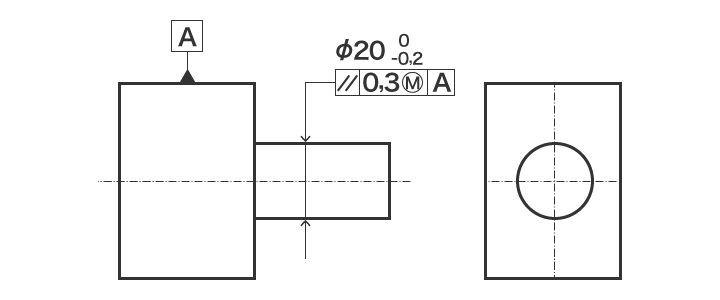
Was bedeutet ?
Um die Maximum-Material-Bedingung auf ein Maß anzuwenden, schreiben Sie nach der Maßtoleranz im Merkmalsteuerrahmen. „M“ steht für „Maximum-Material-Bedingung“ (MMC). Dieses Symbol gibt die Anwendung der Maximum-Material-Bedingung an.

Handhabung von Maßtoleranzen
Bei Anwendung der Maximum-Material-Bedingung wird die Maßtoleranz immer eingehalten. Wenn jedoch eine Maßtoleranz vom Maximum-Material-Maß abweicht, kann die Differenz zu einer geometrischen Toleranz addiert werden, um ein virtuelles Maß zu erhalten.
-
Maximum-Material-Bedingung

-
Virtuelle Bedingung

- a
- Virtuelles Maß
Ausdrücken der Maximum-Material-Bedingung über ein dynamisches Toleranzdiagramm
Das dynamische Toleranzdiagramm ist ein Werkzeug, das die Änderungen in der Toleranzzone von Maßtoleranz und geometrischer Toleranz optisch darstellt. Durch Auftragen der geometrischen Toleranz auf der vertikalen Achse und der Maßtoleranz auf der horizontalen Achse können die Änderungen von Maßtoleranz und geometrischer Toleranz gleichzeitig dargestellt werden. Die Anwendung der Maximum-Material-Bedingung verdeutlicht auch die Bonustoleranz, die entsteht, wenn die geometrische Toleranz größer wird.

- a
- Welle
- b
- Gehäuse

- a
- Geradheit
- b
- Toleranz des Wellenmaßes
- c
- Toleranz des Bohrungsmaßes


