Visualisierung der Faserdispersion in Verbundwerkstoffen
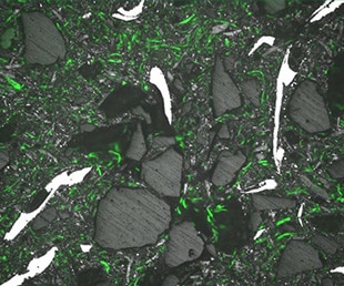
Overlay in Echtzeit durch Kombination aus Hellfeld- und Fluoreszenzbildern
Verbundwerkstoffe sind Materialien, die aus der Verbindung organischer und anorganischer Materialien zur Verbesserung ihrer Festigkeit oder ihres Reibungskoeffizienten hergestellt werden.
Die verschiedenen Materialien werden im Herstellungsprozess gemischt, aber sie können nicht einfach kombiniert werden - sie müssen gleichmäßig gemischt werden, um die gewünschten Eigenschaften zu erzielen.
Bei Leistungstests o. Ä. muss möglicherweise untersucht werden, wie gut die Grundmaterialien miteinander vermischt sind, wenn die geforderten Eigenschaften nicht erreicht werden.
-

Hellfeldbild

Fluoreszenzbild
-

Overlay
-
Bild der Messergebnisse
Fläche Anzahl Gesamt 9.846.995 µm2 ― Faserfläche 624.498 µm2 1600 Prozentualer Anteil 6,34% ―
Organische und anorganische Materialien scheinen oft die gleiche Farbe zu haben, was es schwierig macht, nur die Dispersion des organischen Materials sichtbar zu machen.
Verwendung des kompakten Fluoreszenzmikroskops BZ-X
- Im Allgemeinen leuchten bei Fluoreszenzmikroskopen organische Materialien, anorganische Materialien jedoch nicht. Somit können nur die organischen Materialien visualisiert werden.
- Die Modellreihe BZ erfasst kontinuierlich Fluoreszenz- und optische Hellfeldbilder und erzeugt problemlos Overlays. Durch die Überlagerung von Hellfeld- und Fluoreszenzbildern kann die Dispersion des organischen Materials deutlich beobachtet werden, während die gesamte Form betrachtet wird.
- Die leuchtenden Bereiche können mithilfe quantitativer Analysesoftware sehr einfach in ein Binärbild umgewandelt werden. Diese Umwandlung ermöglicht darüber hinaus eine quantitative Bewertung anhand von Substanzanzahl, Fläche und anderen numerischen Parametern.
- Der große motorisierte Objekttisch spielt auch eine Rolle bei der automatischen Aufnahme von mehreren Bildern. Bei größeren Proben, bei denen eine hohe Auflösung bevorzugt wird, die lokale Betrachtung aber nicht ausreicht, um das Gesamtbild insgesamt zu verstehen, kann die Modellreihe BZ unabhängig von der Vergrößerung Bilder mit breitem Sichtfeld liefern und so eine genaue Analyse und Beurteilung ermöglichen.
- Weitere Beispiele für den Einsatz des kompakten Fluoreszenzmikroskops BZ-X in der Forschung:
- [Myelodysplastische Syndrome (MDS)] Stitching, Sectioning und die Z-Stapelfunktion als entscheidende Argumente für die Anschaffung des Fluoreszenzmikroskops BZ am Universitätsklinikum Düsseldorf
- [Neuropathologie] Perfekte Lösung für den diagnostischen Alltag in der Krankenversorgung und der klinischen Forschung am Institut für Neuropathologie der Charité in Berlin
- [Regenerative Medizin] Essentielle Bildgebung für die Betrachtung der gesamten Wirbelsäule
- [Gentherapie] Probenbetrachtung in der Hirnforschung
- [Behandlung von Herzkrankheiten] Einfache Betrachtung vom gesamten Rattenherz bis hin zu dessen Zellen
- [Krebsbehandlung] Fluoreszenzmikroskop mit integrierter Dunkelkammer verändert die Forschung in starkem Maße
- [Immunsystem] Beitrag der Modellreihe BZ zum Verständnis des pathologischen Asthmamodells
- [Biomaterialien] Förderung der Effizienz in der Forschung mit kompakten, benutzerfreundlichen Mikroskopen


